联系人:汪经理
手机: 159 6894 7894
电话: 0574-8749 8326
传真:0574-8907 3797
邮箱: chinanbdshb@163.com
地址: 浙江省 宁波市 北仑区 小港工业园 创富路69号
网址:www.chinadshb.com

浙江德胜环保科技有限公司是集环保水处理工程的承包、设计、施工 、调试运营;环保水处理设备的研发、生产销售;环保技术咨询、技术服务、自研技术转让、推广为一体的专业环保公司。 主要业务包括各种工业及生活污水处理、中水回用、给水的水质净化、膜处理工程等,并经销各种水处理配件和药剂。 公司以人才和技术创新为核心竞争力;以质量求生存,信誉创品牌为宗旨;为客户创造价值,为社会创造价值为经营理念;以实现经济效益、社会效益、环境效益的和谐统一,达到客户、企业、社会共赢为经营目标。 公司紧密结合国内高等院校、科研院所,依靠科学的管理和先进的环保技术,不断引进消化新技术,加强新产品开发,并以优质的技术服务竭诚为广大客户提供满意服务、先进的设备、高超的技术、严格的管理、优良的服务,会尽最大努力满足您的需要,使您在各个方面获得满意。
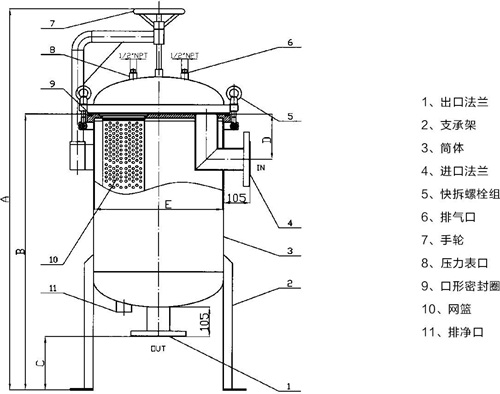
袋式过滤器,适用于大流量过滤,可以容纳更多杂质,也适用于希望使用较长时间后方才更换滤袋的场合。单机最小流量400吨/小时。日常维护非常便捷。
提供304不锈钢和316不锈钢等不同材质,适合处理各种酸碱液体、溶剂以及各中性液体;采用高等级设计规格,保证充足的腐蚀余度与最高的可靠性。选用01#、02#尺寸规格的过滤袋或过滤网,滤袋更换非常便捷。
可提供带加热套、承压10公斤以下、内表面防腐涂层的过滤器,以满足不同客户、不同场合的使用要求。
流畅的流体管道设计,压力损失小,更加节能;出色的密封设计,配合特设环口,克服传统滤器的侧漏顽疾。
内外镜面抛光或喷砂亚光处理。
|
型号 |
滤袋 数量 |
A(mm) |
B(mm) |
C(mm) |
D(mm) |
E(mm) |
F(mm) |
最大流量 (m3/h) |
|
|
|
|||||||||
|
DS-2P2S |
2 |
1431 |
1031 |
300 |
600 |
150 |
406 |
50 |
|
|
|
|||||||||
|
DS -3P2S |
3 |
1500 |
1100 |
350 |
700 |
150 |
500 |
75 |
|
|
|
|||||||||
|
DS -4P2S |
4 |
1575 |
1158 |
380 |
760 |
150 |
558 |
100 |
|
|
|
|||||||||
|
DS -5P2S |
5 |
1600 |
1168 |
400 |
800 |
150 |
608 |
125 |
|
|
|
|||||||||
|
DS -6P2S |
6 |
1638 |
1188 |
430 |
860 |
190 |
660 |
150 |
|
|
|
|||||||||
|
DS -7P2S |
7 |
1700 |
1200 |
455 |
910 |
190 |
710 |
175 |
|
|
|
|||||||||
|
DS -8P2S |
8 |
1780 |
1300 |
480 |
960 |
190 |
760 |
200 |
|
|
|
|||||||||
|
DS -9P2S |
9 |
1830 |
1340 |
505 |
1010 |
190 |
810 |
225 |
|
|
|
|||||||||
|
DS -10P2S |
10 |
1830 |
1370 |
555 |
1110 |
190 |
910 |
250 |
|
|
|
|||||||||
|
DS -12P2S |
12 |
2000 |
1400 |
580 |
1160 |
216 |
960 |
300 |
|
|
|
|||||||||
|
DS -14P2S |
14 |
2000 |
1400 |
610 |
1220 |
216 |
1012 |
350 |
|
|
|
|||||||||
|
DS -16P2S |
16 |
2100 |
1500 |
635 |
1270 |
215 |
1062 |
400 |
|
|
|
|||||||||
|
DS -18P2S |
18 |
2100 |
1550 |
685 |
1370 |
215 |
1162 |
450 |
|
|
|
|||||||||
|
DS -20P2S |
20 |
2100 |
1550 |
710 |
1420 |
254 |
1216 |
500 |
|
|
|
|||||||||
|
DS -22P2S |
22 |
2200 |
1600 |
735 |
1470 |
254 |
1266 |
550 |
|
|
|
|||||||||
|
DS -24P2S |
24 |
2200 |
1600 |
760 |
1520 |
254 |
1316 |
600 |
|
本产品可按客户要求定做。
进出口大小可按照客户要求做。
袋式过滤器: